Les marches droites Diamond sont fabriquées et assemblées avec un nez perforé pour les caillebotis DCAB pressé et électroforgé, disponibles en 6 profils standards et 1 profil de sécurité renforcé pour les grilles de sécurité DDAL, avec un nez perforé ou silicé pour les caillebotis polyester. Les dimensions et principes de fixation sont fonction des spécificités de conception de chaque produit.
Marche DCAB-P - Pressé
Marche DCAB-E - Électroforgé
Marches DDAL - Grille
Marches DFIB - Polyester
6 PROFILS :
DDAL-CLAIR8, DDAL-CLAIR14, DDAL-CONFORT, DDAL-PLOT, DDAL-GRIP, DDAL-ROBUST
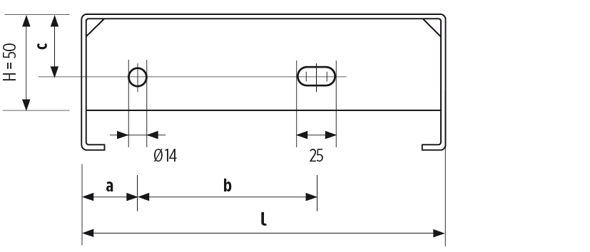
Matière | ACIER - INOX - ALU |
Gousset | H = 50 mm, ép. = 3 mm |
Perçage | 2 ou 3 trous (autres sur demande) |
Fixation | Boulonnage dans perçages latéraux |
Type | Largeur | H x ép. | Longueur |
PLOT CONFORT CLAI8 CLAIR14
|
250 | 50 x 2.0 | 600, 700, 800, 900, 1 000, |
300 | 50 x 2.5 | 600, 700, 800,900,1 000 | |
330 | 50 x 2.5 | 900, 1 000 | |
330 | 75 x 2.5 | 1 200, 1 400 | |
GRIP
|
240, 300, 360 | 50 x 2.0 | 600, 700 |
240, 300, 360 | 50 x 2.5 | 600, 900, 1 000 | |
ROBUST |
200, 250, 300 | 50 x 2.0 | 600, 700, 800, 900, 1 000 |
2 PROFILS :
DDAL-CLAIR8, DDAL-PLOT
Matière | ACIER - INOX - ALU |
Gousset | H = 50 mm, ép. = 3 mm |
Perçage | 2 ou 3 trous (autres sur demande) |
Type | Largeur | H x ép. | Longueur |
VI - PLOT VI - CLAIR
|
250 | 50 x 2.0 | 600, 700, 800, 900, 1 000, |
300 | 50 x 2.5 | 600, 700, 800,900,1 000 | |
330 | 50 x 2.5 | 900, 1 000 | |
330 | 75 x 2.5 | 1 200, 1 400 |
Perçage 2 trous Goussets standards de 180 à 334 (en mm) |
|
[ l ] gousset | a x b x c |
150 à 244 | 35 x 100 x 35 |
245 à 334 | 35 x 150 x 35 |
Perçage 3 trous Goussets standards de 335 à 399 (en mm) |
|
[ l ] gousset | a x b x d x c |
335 à 399 | 35 x 150 x 100 x 35 |