Les marches droites Diamond sont fabriquées et assemblées avec un nez perforé pour les caillebotis DCAB pressé et électroforgé, disponibles en 6 profils standards et 1 profil de sécurité renforcé pour les grilles de sécurité DDAL, avec un nez perforé ou silicé pour les caillebotis polyester. Les dimensions et principes de fixation sont fonction des spécificités de conception de chaque produit.
Marche DCAB-P - Pressé
Marche DCAB-E - Électroforgé
Marches DDAL - Grille
Marches DFIB - Polyester
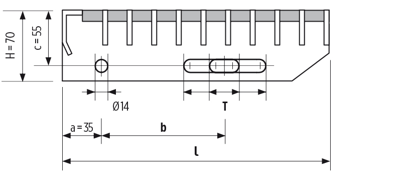
NEZ PERFORÉ
Matériaux caillebotis | ACIER - INOX - ALU |
Matériaux nez perforé | ACIER - INOX - ALU |
Longueur | de 500 à 2 500 mm |
Largeur | de 130 à 500 mm en maille 19 à 30 mm |
Gousset | H = 70 mm, ép. = 3 mm (hauteur caillebotis ≤ 40 mm - autre, nous consulter) |
Perçage | 2 ou 3 trous (autres sur demande) |
Fixation | Boulonnage dans perçages latéraux |
Perçage 2 trous Goussets standards de 150 à 309 (en mm) |
|||
[ l ] gousset | [ T ] ACIER | [ T ] INOX-ALU | [ b ] |
150 ≤ l ≤ 159 | 25 | 25 | 70 |
160 ≤ l ≤ 169 | 25 | 25 | 80 |
170 ≤ l ≤ 179 | 61 | 25 | 70 |
180 ≤ l ≤ 189 | 61 | 25 | 85 |
190 ≤ l ≤ 199 | 61 | 25 | 95 |
200 ≤ l ≤ 244 | 61 | 25 | 105 |
245 ≤ l ≤ 279 | 61 | 25 | 135 |
280 ≤ l ≤ 309 | 61 | 25 | 165 |
Perçage 3 trous Goussets standards de 310 à 334 (en mm) |
||||
[ l ] gousset | [ T ] ACIER | [ T ] INOX-ALU | [ b ] | [ d ] |
310 ≤ l ≤ 334 | 61 | 25 | 130 | 80 |
Perçages 3 trous Goussets standards de 335 à 500 (en mm) |
||||
[ l ] gousset | [ T ] ACIER | [ T ] INOX-ALU | [ b ] | [ d ] |
335 ≤ l ≤ 399 | 61 | 25 | 150 | 85 |
400 ≤ l ≤ 500 | 61 | 25 | 150 | 135 |